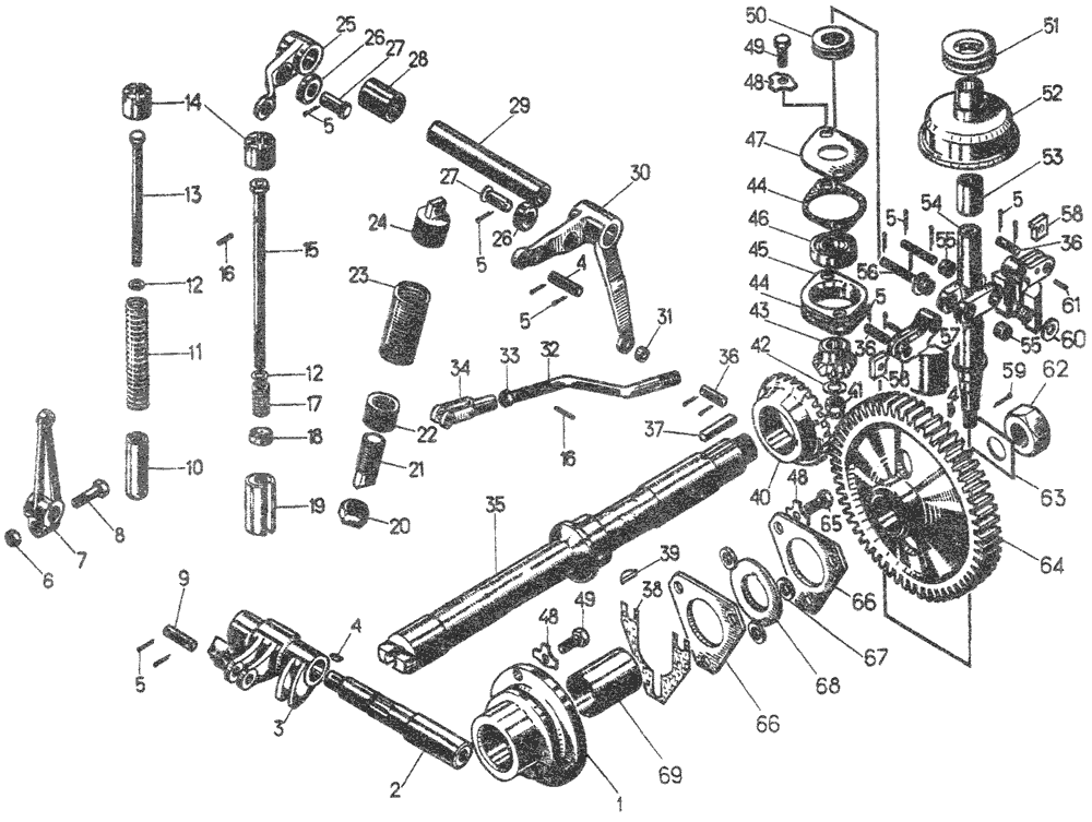
| # | Номер запчасти | Наименование детали | Кол-во в сборке |
| - | 51-06-14СП | Регулятор (для дизеля мощностью 180 л. с.) | 1 |
| - | 51-06-14-01СП | Регулятор (для дизеля мощностью 140 л. с.) | |
| 1 | 06368 | Корпус | 1 |
| 2 | 06339 | Валик | 1 |
| 3 | 06340-1 | Рычаг | 1 |
| 4 | 341 | Шпонка | 1 |
| 5 | 51-06-44 | Шплинт | 8 |
| 6 | - | Гайка М8-6Н.6.019 | 1 |
| 7 | 16-06-13-1 | Рычаг | 1 |
| 8 | 2848 | Болт | 1 |
| 9 | 06347 | Палец | 2 |
| 10 | 06353 | Упор минимальной подачи | 1 |
| 11 | 38349 | Пружина | 1 |
| 12 | 31365 | Шайба | 2 |
| 13 | 51-06-128СП | Болт минимальной подачи | 1 |
| 14 | 06348 | Муфта | 2 |
| 15 | 06375СП | Болт максимальной подачи | 1 |
| 16 | 700-32-2181 | Штифт | 1 |
| 17 | 38348 | Пружина | 1 |
| 18 | 06350 | Колпачок | 1 |
| 19 | 06351 | Упор максимальной подачи | 1 |
| 20 | 3031-2 | Гайка | 1 |
| 21 | 06346 | Наконечник | 1 |
| 22 | 06345 | Наконечник | 1 |
| 23 | 700-38-2874 | Пружина | 1 |
| 24 | 06592 | Наконечник | 1 |
| 25 | 51-06-2 | Рычаг | 1 |
| 26 | 06334 | Ролик | 2 |
| 27 | 06335 | Валик | 2 |
| 28 | 06332 | Втулка | 1 |
| 29 | 06331-1 | Валик | 1 |
| 30 | 51-06-1 | Рычаг | 1 |
| 31 | 06338 | Втулка | 1 |
| 32 | 51-06-41 | Тяга | 1 |
| 33 | - | Гайка М6.6.019 | 2 |
| 34 | 51-06-5 | Вилка | 2 |
| 35 | 51-06-40 | Вал привода | 1 |
| 36 | 06322 | Ось | 1 |
| 37 | 34116 | Шпонка | 1 |
| 38 | 14-06-3 | Прокладка | 10 |
| 39 | 3432
- | Шпонка
Шпонка 3×6,5 | 1 |
| 40 | 06370-1 | Шестерня | 1 |
| 41 | 30225 | Гайка | 1 |
| 42 | 31363 | Шайба | 1 |
| 43 | 06324 | Шестерня | 1 |
| 44 | 06327 | Прокладка | 12 |
| 45 | 06593 | Корпус | 1 |
| 46 | - | Подшипник 203 | 1 |
| 47 | 06576 | Фланец | 1 |
| 48 | 31366-01 | Шайба | 3 |
| 49 | - | Болт М8х20.58.019 | 10 |
| 50 | - | Подшипник 8104 | 1 |
| 51 | - | Подшипник 8205 | 1 |
| 52 | 06534-1 | Муфта регулятора | 1 |
| 53 | 06330 | Втулка | 1 |
| 54 | 06583 | Валик | 1 |
| 55 | 06318 | Втулка | 4 |
| 56 | 06323 | Ось | 2 |
| 57 | 29-06-2
06585 1 | Груз регулятора | 2 |
| 58 | 06321 | Сухарь | 2 |
| 59 | - | Шплинт 2x16.019 | 1 |
| 60 | 31386-1 | Шайба | 4 |
| 61 | 32251 | Штифт | 1 |
| 62 | 30227 | Гайка | 1 |
| 63 | 31364 | Пластина стопорная | 1 |
| 64 | 29-06-1 | Шестерня | 1 |
| 65 | - | Болт М8х25.88.35.019 | 3 |
| 66 | 06363 | Плита | 2 |
| 67 | 06364 | Втулка | 3 |
| 68 | 06615 | Шайба | 1 |
| 69 | 67205 | Втулка | 1 |
| 1 Для дизеля с номинальной частотой вращения коленчатого вала 1070 об/мин. | |||
| # | Номер запчасти | Наименование детали | Кол-во в сборке |
| 1 | 40748 | Прокладка | 1 |
| 2 | 3197-02 | Шайба | 1 |
| 3 | 51-06-22 | Корпус регулятора | 1 |
| 4 | 700-32-2191 | Штифт | 1 |
| 5 | - | Манжета 1.2-15x30-1 | 1 |
| 6 | 51-06-43 | Рым-болт | 1 |
| 7 | 700-32-2182 | Штифт | 2 |
| 8 | - | Подшипник 941/15 | 2 |
| 9 | 06305 | Заглушка | 1 |
| 10 | 40962 | Прокладка | 1 |
| 11 | 06310СП 1
06311 | Крышка | 1 |
| 12 | - | Шайба 8Т 65Г 09 | 7 |
| 13 | 28473 | Болт | 2 |
| 14, 18 | - | Болт М8х20.58.019 | 1 |
| 15 | 06577 | Прокладка | 3 |
| 16 | 46170 | Прокладка | 1 |
| 17 | 06306 | Трубка | 1 |
| 19 | 31386-1 | Шайба | 4 |
| 20 | 06307СП 2
06308-2 2 | Крышка | 1 |
| 21 | 06309 2 | Втулка | 1 |
| 22 | 40961 | Прокладка | 1 |
| 23 | - | Шайба 10 ОТ 65Г 09 | 6 |
| 24 | - | Болт М10-6gх170.58.019 | 1 |
| 25 | 700-28-2455 | Болт | 2 |
| 26 | - | Болт М10х20.58.019 | 4 |
| 27 | 06312-2 | Крышка | 1 |
| 28 | 40963-1 | Прокладка | 2 |
| 29 | - | Болт М10х40.58.019 | 1 |
| 30 | - | Болт М10х30.58.019 | 12 |
| 31 | 700-32-2192 | Штифт | 1 |
| 32 | 700-32-2200 | Штифт | 1 |
| 33 | - | Шайба 12 ОТ 65Г 09 | 1 |
| 34 | 28579 | Болт | 1 |
| 35 | 700-40-2631 | Прокладка | 2 |
| 36 | 50-26-830-1 | Плита | 1 |
| 37 | 51-06-3 | Крышка | 1 |
| 38 | 700-29-2194 | Шпилька | 3 |
| 39 | - | Гайка М10.6.019 | 3 |
| 40 | 3084 | Гайка | 6 |
| 41 | 353-07-1 | Шайба | 1 |
| 42 | 700-29-2463 | Шпилька | 7 |
| 43 | 379 | Пробка | 1 |
| 1 Заказывать комплектно 06310СП Крышка.
2 Заказывать комплектно 06307СП Крышка. | |||
