Запасные части ЧТЗ Запасные части ЧТЗ
Уфа
Например:
Актобе
Алдан
или
Выбрать автоматически
Актобе
Алдан
Алматы
Алчевск
Архангельск
Астана
Астрахань
Атырау
Баку
Балашиха
Барнаул
Белгород
Бердянск
Бишкек
Владивосток
Владикавказ
Воркута
Воронеж
Горловка
Грозный
Донецк
Екатеринбург
Иваново
Ижевск
Иркутск
Казань
Калининград
Каменск-Уральский
Караганда
Каховка
Кемерово
Киров
Комсомольск-на-Амуре
Костанай
Краснодар
Красноярск
Красный луч
Ленск
Луганск
Магадан
Магнитогорск
Макеевка
Махачкала
Мелитополь
Минск
Мирный (Якутия)
Москва
Мурманск
Нерюнгри
Нижневартовск
Нижний Новгород
Нижний Тагил
Новая каховка
Новокузнецк
Новосибирск
Новый Уренгой
Норильск
Ноябрьск
Нур-Султан
Омск
Оренбург
Ош
Павлодар
Пермь
Петрозаводск
Петропавловск
Петропавловск-Камчатский
Псков
Ростов-на-Дону
Салехард
Самара
Санкт-Петербург
Саратов
Севастополь
Семей
Симферополь
Сочи
Ставрополь
Сургут
Сыктывкар
Тараз
Ташкент
Токмак
Томск
Тында
Тюмень
Ульяновск
Усинск
Усть-Каменогорск
Уфа
Хабаровск
Ханты-Мансийск
Херсон
Челябинск
Чита
Шымкент
Экибастуз
Энергодар
Южно-Сахалинск
Якутск
Ваш город
Уфа
Войти
Запасные части к тракторам на одном сайте
+7 (932) 303-00-10
+7 (932) 303-00-10
г. Уфа, ул. Трамвайная, д. 2
Пн-Пт: 9:30-18:30 Cб-Вс: Выходной
Отправить заявку


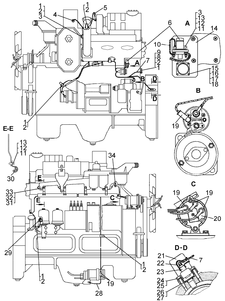
Электрооборудование дизеля с пусковым двигателем на Т10М / Б10М


/
с НДС 20%
Описание
Электрооборудование дизеля на Т10М с пусковым двигателем
#Номер запчастиНаименование деталиКол-во в сборке
-50-10-640СП 1
64-10-158-01СП 2
Электрооборудование дизеля (с пусковым двигателем)1
141627Хомутик8
2700-40-2654Прокладка8
3-Гайка М6-7Н.6.0192
4-Датчик сигнализатора засоренности воздушного фильтра 132.3839.6001
5-Датчик аварийного давления масла
ММ111В
ММ111В-Э 3
ММ111В-Т 4
1
6-Контактор
КТ 127
КТ 127-Э 3
КТ 127-Т 4
1
764-10-612-01СП 2 64-10-493-02СП 1Жгут 22А
Жгут 17
1
8-Болт М10-6g×20.58.0191
931308-1Шайба1
1050-10-258СППровод 231
11-Болт М6-6g×12.88.35.01910
12-Шайба 6Т 65Г 0910
1331358-1Шайба10
1464-10-181 2
64-10-180 1
Кронштейн1
15-Винт В.М4-6g×16.58.019 24
16-Шайба 4Т 65Г 06 24
1731534-1 2Шайба4
18-Гайка М4-7Н.6.016 24
19700-40-6285Резиновый наконечник6 1, 5 2
2050-10-374СПУстановка генератора1
21-Стакан РИВП.715 142.005 2, 51
22700-40-6286 3Резиновый наконечник1
23-Датчик скорости
11.3843А РИВП 45 3843.004ТУ 2, 5
1
24-Болт М8-6g×30.88.35. 019 22
25-Шайба 8Т 65Г 09 22
2631-88-74 2Прокладка4
27-Комплект регулировочных шайб 2, 51
2850-10-283СППровод 991
29-Датчик указателя давления 3902.38291
3064-10-277СПЖелоб2
3164-10-73Скоба4
32-Гайка М10-7Н.6.0194
33-Шайба 10 ОТ 65Г 094
34-Датчик указателя температуры
ТМ100-В
ТМ100-ВЭ 3
ТМ100-ВТ 4
1
1 Для трактора с механической трансмиссией.
2 Для трактора с гидромеханической трансмиссией.
3 Для экспорта.
4 Для тропиков.
5 Входит в комплект тахометра ТХА3.1-09.
Электрооборудование дизеля с пусковым двигателем